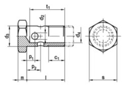
Болты Банджо DIN 7643 с шестигранной головкой и отверстием
Болты полые с шестигранной головкой с отверстиями DIN 7643 (банджо-болты).
DIN 7643 используются в промышленности для монтажа рукавов высокого давления на агрегатах и для резьбового соединения труб с поворотными кольцеобразными ниппелями совместно с уплотнительными медными шайбами DIN 7603 соответствующих размеров и др.
- Диаметр резьбы от М8 до М26.
- Варианты материалов: сталь.
- Варианты покрытий: гальваническое цинкование.
Размерный ряд болтов DIN 7643

| Размеры | M8x1 | M10x1 | M12x1.5 | M14x1.5 | M16x1.5 | M18x1.5 | M22x1.5 | M26x1.5 |
|---|---|---|---|---|---|---|---|---|
| Ø трубы | 4 и 5 | 5 | 8 | 10 | 12 | 15 | 18 | 22 |
| c1 | 8.5 | 8.5 | 11 | 11 | 11 | 11 | 13 | 13 |
| l1 | 17 | 19 | 24 | 26 | 28 | 32 | 39 | 45 |
| t1 | 15 | 17 | 22 | 24 | 26 | 29 | 35.5 | 41 |
| d2 | - | 2.8 | 3.5 | 4.5 | 5.5 | 7 | 9 | 11 |
| d3 | 8 | 10 | 12 | 14 | 16 | 18 | 22 | 26 |
| d4 | 4 | 5.5 | 7 | 9 | 11 | 13 | 16 | 20 |
| m | 5 | 6 | 6 | 6 | 6 | 6 | 7 | 7 |
| p1 | - | 4.5 | 5 | 5.5 | 6.5 | 7.5 | 9 | 10.5 |
| p2 | - | 6.5 | 8 | 9.5 | 11.5 | 14 | 18 | 22.5 |
| s | 12 | 14 | 17 | 19 | 22 | 24 | 27 | 32 |
Если вы хотите купить болты Банджо DIN 7643 с шестигранной головкой и отверстием , вы можете:
Позвонить:

