Винт с цапфой и прямым шлицем DIN 927
DIN 927 Винты с цапфой и прямым шлицем. Размер метрической резьбы винтов от М3 до М8.
Материалы:
- Сталь: 14 Н
- Сталь с покрытием: гальваническая оцинковка, гальваническое никелирование
- Нержавеющая сталь: А1, А2, А3, А4, А5
- Латунь.
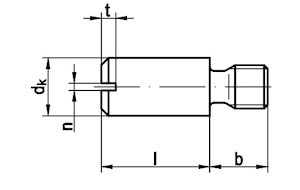
Размеры винтов с прямым шлицем и цапфой DIN 927 в мм

производитель
REYHER
Если вы хотите купить винт с цапфой и прямым шлицем DIN 927 , вы можете:
Позвонить:
Ещё из раздела винты нержавеющие
Винт ISO 7380 c полукруглой головкой и внутренним шестигранником из нержавеющей стали применяется для более быстрого и крепкого зажатия изделий при помощи шестигранника в остеклении зданий и сооружений, а так же в пищевой, химической промышленности, ...

