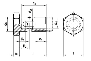
Винт полый DIN 7643
DIN 7643 Винт полый (болт «Банджо») для установки кольцевого ниппеля (фитинга «Банджо» BANJO) с короткой резьбой (применяется в гидравлике для соединения трубопроводов)
Материалы:
- Нержавеющая стать A2, покрытие - желтый цинк (yellow zn);
Размеры полых винтов DIN 7643 в мм

производитель
REYHER
Если вы хотите купить винт полый DIN 7643 , вы можете:
Позвонить:
Ещё из раздела винты нержавеющие
Винт DIN 7985 с полукруглой головкой и крестообразным шлицем из нержавеющей стали используется для соединения деталей и узлов в сочетании со все возможными шайбами и гайками. Затягивается при помощи отвертки или насадки с крестообразным шлицом. ...
Винт ISO 7380 c полукруглой головкой и внутренним шестигранником из нержавеющей стали применяется для более быстрого и крепкого зажатия изделий при помощи шестигранника в остеклении зданий и сооружений, а так же в пищевой, химической промышленности, ...

