Винт с увеличенной плоской головкой с прямым шлицем DIN 921
DIN 921 Винт с большой плоской цилиндрической головкой с прямым шлицем. Размер резьбы винтов от М3 до М10.
Материалы:
- Сталь: 5.8 (класс прочности для болтов)
- Сталь с покрытием: гальваническая оцинковка, гальваническое никелирование, гальваническое хромирование
- Нержавеющая сталь: А1, А2, А3, А4, А5
- Латунь
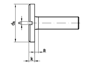
Размеры DIN 921

производитель
REYHER
Если вы хотите купить винт с увеличенной плоской головкой с прямым шлицем DIN 921 , вы можете:
Позвонить:
Ещё из раздела винты нержавеющие
Винт DIN 7985 с полукруглой головкой и крестообразным шлицем из нержавеющей стали используется для соединения деталей и узлов в сочетании со все возможными шайбами и гайками. Затягивается при помощи отвертки или насадки с крестообразным шлицом. ...
Винт ISO 7380 c полукруглой головкой и внутренним шестигранником из нержавеющей стали применяется для более быстрого и крепкого зажатия изделий при помощи шестигранника в остеклении зданий и сооружений, а так же в пищевой, химической промышленности, ...

