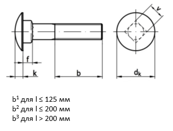
Болты мебельные DIN 603 ISO 8677с полукруглой головкой и квадратной подголовкой
Болты мебельные с полукруглой низкой головкой DIN 603. Аналоги стандартов: ISO 8677, ГОСТ 7802-81.
DIN 603 применяются в строительстве и мебельном производстве, при монтаже деревянных и металлических конструкций совместно с гайками и шайбами соответствующих размеров и др. Квадратный подголовник предотвращает проворачивание болта при затяжке. Полукруглая головка обеспечивает эстетичный внешний вид соединения и односторонний демонтаж.
- Диаметр резьбы от М5 до М20, длина от 16 до 300 мм.
- Метрическая резьба с крупным шагом.
- Номинальная длина болта указывается до головки, вместе с квадратным подголовником.
- Класс прочности для стальных болтов: 4.6, 8.8.
- Классы прочности для болтов из нержавеющих и коррозионно-стойких сталей: А2-50, А4-70.
- Варианты материалов: сталь, сталь коррозионностойкая, латунь.
- Варианты покрытий: чёрный / без покрытия / фосфатирование, гальваническое цинкование, горячее цинкование.
Размерный ряд болтов DIN 603

| Размеры | M5 | M6 | M8 | M10 | M12 | M16 | M20 |
|---|---|---|---|---|---|---|---|
| dk DIN,ISO/ГOСТ | 13/11 | 16/14 | 20/18 | 24/23 | 30/28 | 38/35 | 46/44 |
| k DIN,ISO/ГOСТ | 3/2.5 | 3.5/3 | 4.5/4 | 5 | 6.5/6 | 8 | 10 |
| f DIN,ISO/ГOСТ | 4.1/3 | 4.6/4 | 5 | 6 | 8 | 12/10 | 15/12 |
| V DIN,ISO/ГOСТ | 5 | 6 | 8 | 10 | 12 | 16 | 20 |
| b1 | 16 | 18 | 22 | 26 | 30 | 38 | 46 |
| b2 | 22/- | 24/- | 28/- | 32 | 36 | 44 | 52 |
| b3 | - | - | 41/- | 45/- | 49/- | 57/- | 65/- |
Если вы хотите купить болты мебельные DIN 603 ISO 8677с полукруглой головкой и квадратной подголовкой , вы можете:
Позвонить:

