Болты норийные (транспортерные) DIN 15237 с гайкой и чашевидной шайбой
Болты опорные с гайкой и шайбой DIN 15237 (болты норийные, транспортёрные, конвейерные, элеваторные, ковшовые).
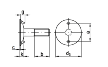
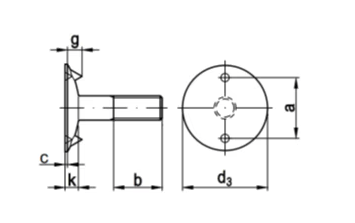
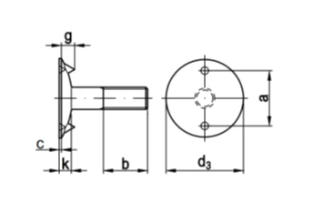
Болты норийные DIN 15237 активно применяются для крепления норийных ковшей на конвейерную ленту в транспортерных и элеваторных системах совместно с шестигранными гайками и чашевидными (полусферическими) шайбами соответствующих размеров и др. На головке болта с внутренней стороны расположены два шипа, предотвращающие прокручивание болта при заворачивании гайки.
- Диаметр резьбы от М6 до М12, длина от 20 до 60 мм (длина болта указывается вместе с головкой).
- Метрическая резьба с крупным шагом.
- Класс прочности для стальных болтов: 3.6, 4.8.
- Варианты материалов: сталь.
- Варианты покрытий: чёрный / без покрытия / фосфатирование, гальваническое цинкование.
Размерный ряд болтов DIN 15237

| Размеры | M6 | M8 | M10 | M12 |
|---|---|---|---|---|
| d₃ | 20 | 28 | 35 | 42 |
| a | 14 | 20 | 25 | 30 |
| c max. | 1 | 1 | 1 | 1.2 |
| g | 3.5 | 5 | 6 | 7 |
| k | 2.5 | 3.5 | 4.5 | 5.2 |
| l | 20 | 25/30/35/40 | 30/35/40/50 | 35/40/50/60 |
| b | 12 | 15/18/18/20 | 18/20/20/20 | 20/25/28/28 |
Если вы хотите купить болты норийные (транспортерные) DIN 15237 с гайкой и чашевидной шайбой , вы можете:
Позвонить:

