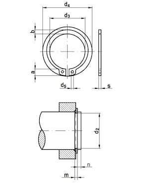
Кольцо стопорное наружное для вала DIN 471
DIN 471 Кольцо стопорное наружное для вала, пружинное упорное эксцентрическое. Кольца DIN 471 применяются в машиностроении, приборостроении для осевой фиксации валов, подшипников и деталей. Диаметры валов от 3 до 300 мм.
Материалы:
- Сталь пружинная
- Сталь с покрытием: гальваническая оцинковка
- Нержавеющая сталь: 1.4034, 1.4122, 1.4310, 1.4568
- Бронза
Таблица размеров наружных стопорных колец DIN 471 для валов (нормальный тип) в мм

производитель
REYHER
Если вы хотите купить кольцо стопорное наружное для вала DIN 471 , вы можете:
Позвонить:
Ещё из раздела шайбы нержавеющие
Шайба DIN 125 плоская из нержавеющей стали используется с сочетанием болтов, винтов, шпилек, гаек и может использоваться как подкладка для увеличения прижимного поля шурупов и саморезов из нержавеющей стали. Внутренний диаметр от 1,6 до 72 ...
Шайба DIN 9021 кузовная увеличенная плоская из нержавеющей стали А2 и А4 используется с сочетанием болтов, винтов, шпилек, гаек, а так же шурупов и саморезов из нержавеющей стали А2 и А4. Благодаря более увеличенному размеру наружного диаметра шайбы ...

